| |
管道型过滤器 |
■ 概述
过滤器是除去液体中少量固体颗粒的小型设备,可保护压缩机、泵、仪表和其它设备的正常工作,当流体进入置有一定规格滤网的滤筒后,其杂质被阻挡,而清洁的滤液则由过滤器出口排出,当需要清洗时,只要将可拆卸的滤筒取出,处理后重新装入即可,因此,使用维护极为方便。
本厂生产的过滤器具有结构紧凑、过滤能力大、压损小、适用范围广、维护方便、价格低廉等优点,其主要适用的物料有:
化工、石油化工生产中弱腐蚀性物料,如:水、油品、氨、烃类等。
化工生产中的腐蚀性物料,如:烧碱、纯碱、浓稀硫酸、醛酸等。
制冷中的低温物料,如:液甲烷、液氨、液氧和各种冷剂。
食品、制药生产中有卫生要求的物料,如:啤酒、饮料、乳制品、糖浆等。 |
|
| |
|
|
|
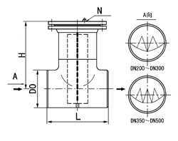
| (1)HLY型焊接锥管螺纹式(HLYII-R型)、承插焊式(HLYII-SW型)(DN15~40,PN≤5.0MPa) |
|
| HLYII-R, HLYII-SW型 |
DN |
L |
N Rc3/8 |
H |
HLYII-R型 |
HLYII-SW型 |
D |
D |
T |
15 |
130 |
169 |
Rc1/2 |
21.8/18.5 |
10 |
20 |
130 |
179 |
Rc3/4 |
27.4/25.5 |
13 |
25 |
140 |
182 |
Rc1 |
34.2/32.5 |
13 |
32 |
160 |
209 |
Rc11/4 |
42.9/38.5 |
13 |
40 |
170 |
217 |
Rc11/2 |
48.8/45.6 |
13 |
|
| (2)、HLY型焊接法兰连接式(HLYII-F型)(DN15~400、PN≤5.0MPa) |
| HLYII-F型 |
DN |
L |
H |
N Rc1/4 |
15 |
260 |
180 |
20 |
270 |
190 |
25 |
270 |
190 |
32 |
280 |
230 |
Rc1/4 |
40 |
280 |
230 |
50 |
290 |
245 |
Rc3/8 |
65 |
320 |
280 |
80 |
350 |
315 |
100 |
425 |
360 |
125 |
480 |
390 |
150 |
540 |
460 |
Rc3/4 |
200 |
700 |
540 |
250 |
800 |
660 |
M20×1.5
|
300 |
950 |
750 |
350 |
1050 |
845 |
400 |
1250 |
920 |
|
|
|
| (3)、HLY型带夹套焊制法兰连接式(HLYJII-F型)(DN20~200,PN≤5.0MPa) |
| HLYJII-F型 |
DN |
L |
H |
进出口a,b |
蒸汽压力 |
N |
20 |
370 |
235 |
G1/2 |
≤0.6MPa |
Rc1/4 |
25 |
370 |
235 |
32 |
390 |
275 |
40 |
390 |
285 |
G3/4 |
50 |
420 |
295 |
Rc3/8 |
65 |
450 |
330 |
80 |
500 |
370 |
100 |
575 |
415 |
125 |
650 |
450 |
150 |
700 |
525 |
DN25 |
Rc3/4 |
200 |
890 |
610 |
|

HLYJII-F型 |
|
| |
|
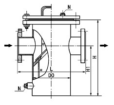
(1)HLT型对焊连接直通式过滤器(HLTI-W型)(DN50~400,PN≤5.0MPa)
(2)HLT型法兰连接直通式过滤器(HLTI-F型)(DN50~400,PN≤5.0MPa) |
|
| HLTI-W、HLTI-F型 |
DN |
L |
HLTI-W型
DO
系列A |
系列B |
HLTI-F型 |
N |
H |
L |
H |
50 |
128 |
60.3 |
57 |
175 |
230 |
170 |
Rc3/8 |
65 |
152 |
76.1 |
76 |
195 |
260 |
170 |
80 |
172 |
88.9 |
89 |
210 |
290 |
180 |
100 |
210 |
114.3 |
108 |
230 |
350 |
200 |
125 |
248 |
139.7 |
133 |
310 |
390 |
230 |
150 |
286 |
168.3 |
159 |
335 |
435 |
250 |
Rc3/4 |
200 |
356 |
219.1 |
219 |
400 |
540 |
310 |
250 |
432 |
273 |
273 |
450 |
640 |
370 |
M20×1.5 |
300 |
508 |
323.9 |
325 |
535 |
745 |
425 |
350 |
558 |
355.6 |
377 |
580 |
800 |
460 |
400 |
610 |
406.4 |
426 |
640 |
900 |
520 |
|
| 注:用户在订货时清注明三通壁厚系列 |
(3)HLT型对焊连接折叠直通式过滤器(HLTMI-W型)(DN200~500,PN≤5.0MPa)
HLTMI-W型 |
DN |
D0 |
L |
H |
N |
系列A |
系列B |
200 |
219.1 |
219 |
356 |
380 |
M20×1.5 |
250 |
273 |
273 |
432 |
520 |
300 |
323.9 |
325 |
508 |
580 |
350 |
355.6 |
377 |
558 |
700 |
400 |
406.4 |
426 |
610 |
760 |
500 |
508 |
529 |
762 |
920 |
|

HLTMI-W型 |
|
|
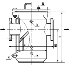
| (1)篮式法兰连接直通平底过滤器(HLLI-F型)(PN≤5.0MPa, DN15~300) |
| HLLI-F型 |
DN |
L |
H |
H1 |
D0 |
N |
DN |
L |
H |
H1 |
D0 |
N |
15 |
180 |
260 |
160 |
F76 |
Rc3/4 |
80 |
340 |
400 |
250 |
F159 |
Rc3/4
M20×1.5 |
20 |
180 |
260 |
160 |
F76 |
100 |
400 |
470 |
300 |
F219 |
25 |
180 |
260 |
160 |
F76 |
125 |
480 |
550 |
360 |
F273 |
32 |
200 |
270 |
160 |
F76 |
150 |
500 |
630 |
420 |
F273 |
40 |
260 |
300 |
170 |
F108 |
200 |
560 |
780 |
530 |
F325 |
50 |
260 |
300 |
170 |
F108 |
250 |
660 |
930 |
640 |
F426 |
65 |
330 |
360 |
210 |
F133 |
300 |
750 |
1200 |
840 |
F478 |
|

HLLI-F型 |
|
(2)篮式带夹套法兰连接直通平底过滤器(HLLJI-F型)(PN≤5.0MPa, DN15~200)
HLLJI-F型 |
DN |
L |
H |
H1 |
蒸汽压力 |
夹套 |
N |
D0 |
进口a |
进口b |
15 |
215 |
350 |
180 |
≤0.6MPa |
|
G3/4
|
G3/4
|
Rc3/4
|
20 |
215 |
350 |
180 |
Ф108 |
25 |
215 |
350 |
180 |
Ф108 |
32 |
235 |
360 |
180 |
Ф108 |
40 |
300 |
430 |
210 |
Ф159 |
50 |
300 |
430 |
210 |
Ф159 |
65 |
450 |
490 |
250 |
Ф159 |
80 |
460 |
530 |
290 |
Ф273 |
DN20 |
DN20 |
100 |
500 |
600 |
345 |
Ф325 |
125 |
580 |
700 |
410 |
Ф377 |
DN25 |
DN25 |
150 |
600 |
780 |
470 |
Ф377 |
200 |
660 |
930 |
580 |
Ф426 |
|

HLLJI-F型 |
|
|